Стэнли Мэйер-Stanley Mayer. Топливная ячейка.

Сборник интересных и полезных книг, брошюр, статей, видео, текстов и изображений по теме времени, физике, и пр.
Размещать разрешено только оформленный материал.
Дискуссии и обсуждения запрещены (будут удаляться).

Модератор: Princess

Сообщение
Автор
Аватар пользователя
Princess
Системный администратор
Системный администратор
Сообщений: 504
Зарегистрирован: 16 янв 2020, 21:34
Откуда: Moscow
Контактная информация:

Стэнли Мэйер-Stanley Mayer. Топливная ячейка.

#1 Сообщение Princess » 14 дек 2021, 04:07

Сегодня открываю раздел на форуме, который хочу посвятить сбору, и накоплению информации, а так же экспериментам по теме водородной топливной ячейки Стэнли Мэйера.
Тема весьма перспективная, при этом вся информация лежит на поверхности. А с недавнего времени появился полный архив работ Стэнли Мэйера, правда об этом архиве мало кто знает. Поэтому постараюсь восполнить этот пробел.
Вложения
DSC_0012.jpg
DSC_0237.jpg
DSC_0236.jpg
==5656.jpg
car.JPG

Аватар пользователя
Princess
Системный администратор
Системный администратор
Сообщений: 504
Зарегистрирован: 16 янв 2020, 21:34
Откуда: Moscow
Контактная информация:

Re: Стэнли Мэйер-Stanley Mayer. Топливная ячейка.

#2 Сообщение Princess » 14 дек 2021, 04:15

Итак начнем...
Вложения
DSC_0012.jpg
DSC_0006.jpg
Driver+Circuit+Meyer,+U.S.+Patent+4,936,961+(1990).jpg
car.JPG
1301119450_hy581f9.gif
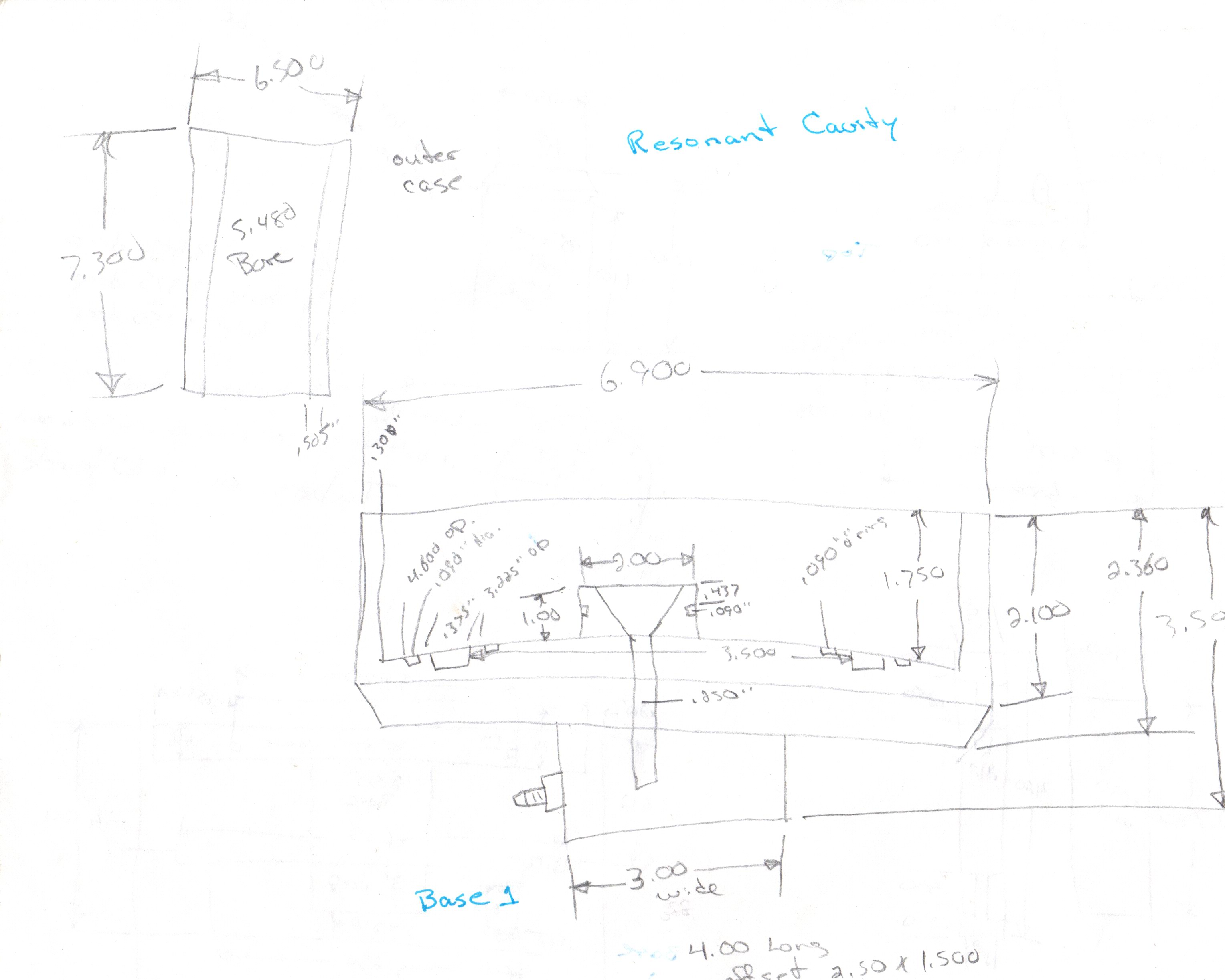
Base 1 and 2 view 2.png
31680529_m.jpg
30106199_m.jpg
31680529.jpg
10034779.gif
5605394_orig.png
4-23-2011 11_01_47 AM.JPG
4-23-2011 11_01_44 AM.JPG
4-23-2011 11_01_42 AM.JPG
4-23-2011 11_01_40 AM.JPG
4-23-2011 11_01_38 AM.JPG
4-23-2011 11_01_35 AM.JPG
4-23-2011 11_01_32 AM.JPG
4-23-2011 11_01_29 AM.JPG
4-23-2011 11_01_27 AM.JPG
4-23-2011 11_01_22 AM.JPG
4-23-2011 9_51_58 AM.JPG
4-23-2011 9_46_03 AM.JPG
4-23-2011 9_45_56 AM.JPG
4-23-2011 9_45_53 AM.JPG
4-23-2011 9_45_49 AM.JPG
4-23-2011 9_45_40 AM.JPG
4-23-2011 9_28_31 AM.JPG
4-23-2011 9_27_43 AM.JPG
4-23-2011 9_27_34 AM.JPG
==5656.jpg
1polrzn.jpg
=.jpg
_ICT0103.JPG
_ICT0102.JPG
_ICT0101.JPG
_ICT0100.JPG
_ICT0099.JPG
_ICT0098.JPG
_ICT0097.JPG
_ICT0096.JPG
_ICT0095.JPG
_ICT0094.JPG
_ICT0093.JPG
_ICT0092.JPG
_ICT0091.JPG
_ICT0090.JPG
_ICT0088.JPG
_ICT0087.JPG
_ICT0086.JPG
_ICT0085.JPG
_ICT0084.JPG
_ICT0083.JPG
_ICT0082.JPG
_ICT0081.JPG
_ICT0080.JPG
_ICT0079.JPG
_ICT0061.JPG
_ICT0059.JPG
_ICT0056.JPG
_ICT0051.JPG
_ICT0050.JPG
_ICT0046.JPG
_ICT0044.JPG
_ICT0042.JPG
_ICT0035.JPG
_ICT0034.JPG
_ICT0033.JPG
_ICT0032.JPG
_ICT0031.JPG
_ICT0030.JPG
_ICT0029.JPG
_ICT0027.JPG
_ICT0026.JPG
_ICT0025.JPG
_ICT0024.JPG
_ICT0023.JPG
_ICT0022.JPG
_ICT0021.JPG
_ICT0020.JPG
_ICT0019.JPG
_ICT0018.JPG
_ICT0016.JPG
_ICT0015.JPG
_ICT0014.JPG
_ICT0013.JPG
_ICT0012.JPG
_ICT0011.JPG
_ICT0010.JPG
_ICT0009.JPG
_ICT0008.JPG
_ICT0007.JPG
_ICT0006.JPG
_ICT0005.JPG
_ICT0004.JPG
_ICT0003.JPG

Аватар пользователя
Princess
Системный администратор
Системный администратор
Сообщений: 504
Зарегистрирован: 16 янв 2020, 21:34
Откуда: Moscow
Контактная информация:

Re: Стэнли Мэйер-Stanley Mayer. Топливная ячейка.

#3 Сообщение Princess » 14 дек 2021, 04:17

Итак начнём...
Вложения
_ICT0032.JPG
_ICT0031.JPG
_ICT0030.JPG
_ICT0029.JPG
_ICT0027.JPG
_ICT0026.JPG
_ICT0025.JPG
_ICT0024.JPG
_ICT0023.JPG
_ICT0022.JPG
_ICT0021.JPG
_ICT0020.JPG
_ICT0019.JPG
_ICT0018.JPG
_ICT0016.JPG
_ICT0015.JPG
_ICT0014.JPG
_ICT0013.JPG
_ICT0012.JPG
_ICT0011.JPG
_ICT0010.JPG
_ICT0009.JPG
_ICT0008.JPG
_ICT0007.JPG
_ICT0006.JPG
_ICT0005.JPG
_ICT0004.JPG
_ICT0003.JPG

Аватар пользователя
Princess
Системный администратор
Системный администратор
Сообщений: 504
Зарегистрирован: 16 янв 2020, 21:34
Откуда: Moscow
Контактная информация:

Re: Стэнли Мэйер-Stanley Mayer. Топливная ячейка.

#4 Сообщение Princess » 14 дек 2021, 04:19

Ещё...
Вложения
_ICT0095.JPG
_ICT0094.JPG
_ICT0093.JPG
_ICT0092.JPG
_ICT0091.JPG
_ICT0090.JPG
_ICT0088.JPG
_ICT0087.JPG
_ICT0086.JPG
_ICT0085.JPG
_ICT0084.JPG
_ICT0083.JPG
_ICT0082.JPG
_ICT0081.JPG
_ICT0080.JPG
_ICT0079.JPG
_ICT0061.JPG
_ICT0059.JPG
_ICT0056.JPG
_ICT0051.JPG
_ICT0050.JPG
_ICT0046.JPG
_ICT0044.JPG
_ICT0042.JPG
_ICT0035.JPG
_ICT0034.JPG
_ICT0033.JPG
_ICT0032.JPG
_ICT0031.JPG
_ICT0030.JPG
_ICT0029.JPG
_ICT0027.JPG
_ICT0026.JPG
_ICT0025.JPG
_ICT0024.JPG
_ICT0023.JPG
_ICT0022.JPG
_ICT0021.JPG
_ICT0020.JPG

Аватар пользователя
Princess
Системный администратор
Системный администратор
Сообщений: 504
Зарегистрирован: 16 янв 2020, 21:34
Откуда: Moscow
Контактная информация:

Re: Стэнли Мэйер-Stanley Mayer. Топливная ячейка.

#5 Сообщение Princess » 14 дек 2021, 04:21

Ещё...
Вложения
=.jpg
_ICT0103.JPG
_ICT0102.JPG
_ICT0101.JPG
_ICT0100.JPG
_ICT0099.JPG
_ICT0098.JPG
_ICT0097.JPG
_ICT0096.JPG

Аватар пользователя
Princess
Системный администратор
Системный администратор
Сообщений: 504
Зарегистрирован: 16 янв 2020, 21:34
Откуда: Moscow
Контактная информация:

Re: Стэнли Мэйер-Stanley Mayer. Топливная ячейка.

#6 Сообщение Princess » 14 дек 2021, 04:23

Ещё...
Вложения
Driver+Circuit+Meyer,+U.S.+Patent+4,936,961+(1990).jpg
Base 1 and 2 view 2.png
car.JPG
31680529_m.jpg
1301119450_hy581f9.gif
30106199_m.jpg
31680529.jpg
5605394_orig.png
10034779.gif
4-23-2011 11_01_47 AM.JPG
4-23-2011 11_01_44 AM.JPG
4-23-2011 11_01_42 AM.JPG
4-23-2011 11_01_40 AM.JPG
4-23-2011 11_01_38 AM.JPG
4-23-2011 11_01_35 AM.JPG
4-23-2011 11_01_32 AM.JPG
4-23-2011 11_01_29 AM.JPG
4-23-2011 11_01_27 AM.JPG
4-23-2011 11_01_22 AM.JPG
4-23-2011 9_51_58 AM.JPG
4-23-2011 9_46_03 AM.JPG
4-23-2011 9_45_56 AM.JPG
4-23-2011 9_45_53 AM.JPG
4-23-2011 9_45_49 AM.JPG
4-23-2011 9_45_40 AM.JPG
4-23-2011 9_28_31 AM.JPG
4-23-2011 9_27_43 AM.JPG
4-23-2011 9_27_34 AM.JPG
==5656.jpg
1polrzn.jpg

Аватар пользователя
Princess
Системный администратор
Системный администратор
Сообщений: 504
Зарегистрирован: 16 янв 2020, 21:34
Откуда: Moscow
Контактная информация:

Re: Стэнли Мэйер-Stanley Mayer. Топливная ячейка.

#7 Сообщение Princess » 14 дек 2021, 04:26

Ещё...
Вложения
DSC_0045.jpg
DSC_0043.jpg
DSC_0042.jpg
DSC_0041.jpg
DSC_0040.jpg
DSC_0039.jpg
DSC_0038.jpg
DSC_0034.jpg
DSC_0027.jpg
DSC_0026.jpg
DSC_0025.jpg
DSC_0024.jpg
DSC_0022.jpg
DSC_0021.jpg
DSC_0020.jpg
DSC_0016.jpg
DSC_0013.jpg
DSC_0012.jpg
DSC_0006.jpg


Аватар пользователя
Ser1
Сообщений: 21
Возраст: 100
Зарегистрирован: 31 окт 2025, 06:44
Откуда: Москва

Re: Стэнли Мэйер-Stanley Mayer. Топливная ячейка.

#9 Сообщение Ser1 » 31 окт 2025, 09:33

Неск. акцентов:
1. в ячейке Ситенли Майера - НЕ ЭЛЕКТРОЛИЗ! (ячейка оставалась холодной в течение прим. 30 мин. при таком объеме выделяемого газа, что эсли бы это была форма электролиза - должна была бы закиперть) Поверхности электродов являются диэлектриком до напряжения 100-200V (см. "кондиционирование эелктродов"))
2. Использовалась вибро очистка поверхности электродов для повышения их эффективной площади (удаление формирующихся пузырьков с поверхности)
3. топливная ячейка Стенли Майера на самом деле = водородная ячейка Андрийя Пухарича: Майер (хитрый!) добавил СЕ источник питания, не упоминая о нем явно, но включил в формулу патента как "Resonant pulsing core"
=
подробнее много. если интересно - см. у меня в авторском разделе на "Заряде" https://zaryad.com/forum/forums/avtorsk ... -ser1.138/ под рубрикой "Водородня топливная ячейка"
Что отдал, то - твоё


Вернуться в «Наша библиотека»