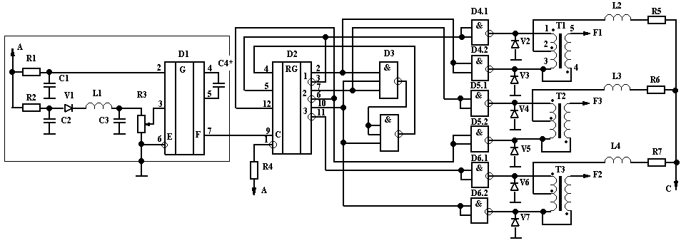
В генераторах "аксионного поля" с электродинамическим возбуждением, описанных в "Электродинамический генератор "аксионного поля"", "Возбуждение "аксионного поля" в воде" и "Генератор "аксионного поля" типа 5", обычно необходим высокочастотный трехфазный генератор. Ниже показан простой и компактный вариант такой схемы.
C1, C2, C3, C6, C7, C8 - 0.1mF - керамические конденсаторы;
C4* - 30pF - подбирается при выборе диапазона подстройки частоты;
C5, C8 - 47mF;
D1 - SN74S124N; (К531ГГ1)
D2 - SN74S175N; (К531ТМ8)
D3 - SN74S10N; (К531ЛА4)
D4, D5 - SN75452N; (К155ЛА18)
L1 - 200 microhenry - высокочастотный дроссель;
L2,…,L4 - 50 microhenry;
R1, R2, R4 - 3kOhm
R3 - 4.7 kOhm - многооборотный подстроечный резистор (Настройка частоты генерации);
R5, R6, R7 - 150 Ohm;
V1,…,V7 - импульсный кремневый полупроводниковый диод (типа КД510А).
T1, T2, T3 - трансформатор, например, ферритовый сердечник 12x5x5.5 марки 1500. Обмотки 1-2 и 2-3 по 6 витков медного провода, катушка 4-5 содержит 90 витков. Параметры трансформатора сильно зависят от частоты, емкости нагрузки и необходимого выходного напряжения.
Точку A соединить с контактом 16 микросхем D1, D2; с контактом 14 микросхемы D3; и с контактом 8 микросхем D4, D5.
Точку B соединить с контактом 8 микросхем D1, D2; с контактом 7 микросхемы D3; и с контактом 4 микросхем D4, D5.
Точки (выход фаз) F1, F2 и F3 соединить с соответствующими электродами.
Точка С питается от регулируемого источника напряжения +5 - +15 вольт.
При настройке электрической схемы подавать напряжение не более +5 вольт.
Простой высокочастотный трехфазный генератор
Модератор: Princess
- Rabbit
- Сообщений: 98
- Зарегистрирован: 17 ноя 2023, 20:35