декодирование патента Капанадзе:
[A-circuit is a current source, B-circuit is a voltage source]
alternative energy channel in telegram
טאריאל קאפאנאדזה 4.8 קילוואט מחולל לאנרגיה חופשית [2015]
בהתקנים אלה ודומים, המרכיב הנוכחי מוגבר בדרך כלל בפלט' מהפך על פי עיקרון קיבולי על ידי העברה והסבה של דחפים עוצמתי וקצר מאוד כוח במתח גבוה ממעגל חשמלי אחד למעגל חשמלי נפרד אחר...
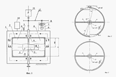
הפטנטים מכילים בסך הכל שני קווי מתאר, המייצגים שני בלוקים נפרדים או שני מעגלים חשמליים נפרדים. המעגל או הבלוק הראשון מכיל מקור מתח, לרוב מורכב ממהפך...
המעגל או הבלוק השני מכיל מקור זרם אשר מורכב מחולל מתח דופק גבוה המפיק פולסים חזקים וקצרים...
במוצא המעגל הראשון נמצא "מגבר זרם" או מכשיר להוספת זרם, שהוא קבל או סליל קבלים, בו מתח הפולס הגבוה מהמעגל החשמלי השני הופך לזרם במעגל החשמלי של המהפך, שם הוא הופך לחלק ממנו...
באופן עקיף שכזה, על חשבון צריכת הספק מסוים מאספקת, מוגבר רכיב הזרם בפלט של המהפך מה שלמעשה מגדיל את הספק המכשיר בכללותו בסדר גודל בהשוואה ל- קלט. מה שנקרא "אנרגיה חופשית" או "עודף" הוא למעשה תוצאה של שילוב התהליכים במכשיר...
קיימת אפשרות שהטעינות החשמליות החופשיות מתקבלות מהבידוד של הכבל מ-סליל מעבה
Tariel Kapanadze - green box_ patent
Tariel Kapanadze - aquarium_ patent
a one example with a schematic with an unknown author that corresponds to the patent of Kapanadze:

эксперимент DL:
https://disk.yandex.ru/d/Pv3TWYZc3H9rY7
п.п. хотел запазить тему чистую, без всякие "уводы в сторону" с другие участниках, но увы