ПРАКТИЧЕСКАЯ РЕАЛИЗАЦИЯ СВЯЗИ С ОБЪЕКТАМИ С ПОМОЩЬЮ ГРАВИТАЦИОННЫХ ВОЛН
Добавлено: 07 дек 2023, 13:02
Мехтиев А.Д. Фоминых Ф.Д., Эйрих В.И. Югай В.В. Белик Г.А.Ким Ю.В
Карагандинский государственный технический университет, Казахстан
ПРАКТИЧЕСКАЯ РЕАЛИЗАЦИЯ СВЯЗИ С ОБЪЕКТАМИ С ПОМОЩЬЮ ГРАВИТАЦИОННЫХ ВОЛН
Для связи с микрообъектами частота излучения гравитационного тела будет очень большой и наоборот при связи с планетами, спутникам и очень мала. При связи электрона с протоном в атомеd=10-13м, поэтому частота излучения составит Гц. При использование гипервысокой частоты, потери информации будут значительными. Поэтому гравитационные волны будет выгоднее применять для связи с объектами, расстояние между которыми значительно превышает расстояние между протоном и электроном.
Следует отметить важный фактор, чем больше расстояние между объектами, тем меньше будут потери информации.
Исходя их этих рассуждений, можно предложить схему связи передатчика информации, например с космическим кораблем, с помощью гравитационных волн.
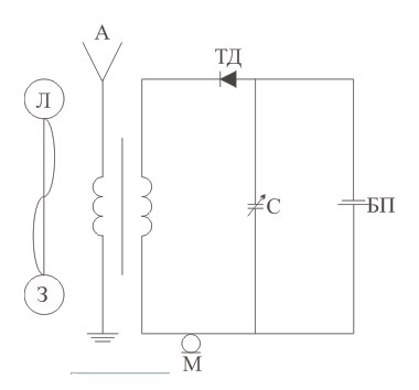
Рассмотрим схему приемника и передатчика (рисунок 1) гравитационных волн, она будет выглядеть следующим образом:
А – антенна для передачи информации с помощью гравитационных волн в эфир;
Л - Луна;
З- Земля;
ТД – туннельный диод с v-образной вольт-амперной характеристикой, тиристор с N - образной вольт-амперной характеристикой. ТД формирует электрические импульсы;
С – конденсатор переменной емкости, на который действуют гравитационная волна. Он является основным элементом передатчика информации с помощью гравитационных волн. Он может иметь особую конструкцию;
М – микрофон служит модулятором гравитационных импульсов. Это может быть обыкновенный микрофон, с помощью которого можно подавать команды, тем самым связывать прибор приемника с помощью антенны А с абонентом, т.е. центром космической связи;
БП - батарея питания схемы приемника и передатчика гравитационных волн.
Рисунок 1 - Приемник и передатчик гравитационных волн
В этой схеме туннельный диод ТД или тиристор служит как генератор импульсов, как детектор и как смеситель гравитационных импульсов с командами, передаваемыми по микрофону М оператором. Также он работает как усилитель коэффициентом усиления, определяемым согласно формуле (11):
К=Uвых/Uвх,
(11)
где Uвых - амплитуда выходного напряжения;
Uвх - амплитуда входного напряжения.
При попадании гравитационной волны на устройство с конденсатором переменной емкости и сгенерированный импульс от тиристора или туннельного диода может смещаться вдоль оси Х от нуля до .Возникает многофакторная зависимость, при увеличении амплитуды гравитационной волны, увеличивается емкость конденсатора и возникает больше смещение электрического импульса вправо от 0 до . На электрический импульс гравитационной волны накладывается колебание звуковой частоты от модулятора. Эти импульсы передаются в эфир с помощью антенны А. Эти импульсы содержат информацию о величине гравитационной волны и команды, передаваемые с микрофона М оператором. Тем самым осуществляется связь объекта с передатчиком. В качестве объекта может быть космический корабль или луна, планета, галактика.
Данное устройство позволит вести геолого-разведочные работы не только на Земле, но и на Луне, планетах и даже галактике.
Здесь используется принцип, что чем выше удельный вес полезного ископаемого, тем точнее будет показывать устройство расстояние до него. Возможно даже определить площадь рудного тела с помощью предложенного устройства с использованием гравитационных волн. На рисунке 2 представлен частотно модулированный передатчик и приемник гравитационных волн для геологоразведочных работ.
Рисунок 2 - Частотно модулированный передатчик и приемник информации для геологоразведочных работ
Предлагаемый частотно модулированный передатчик для геологоразведочных работ может найти применение в горах, пустынях, в океане, на Луне, планетах.
Параметры гравитационной волны определяются расстоянием от объекта до абонента d. Частота излучения гравитационного поля определяется по (10). Длина гравитационной волны определяется как .
На основе вышеизложенного можно сделать следующие выводы:
1) На основе расчетов по уравнениям (6),(7) и разработанной теории был предложен упрощенный передатчик информации для связи космического спутника с центром космической связи. При использовании данного передатчика потери информации для нанотехнологий будут значительны, поэтому выгоднее применять передачу информации с помощью гравитационных волн в случае больших расстояний между объектами связи.
2) Предложенный в работе передатчик может быть использован для геологоразведочных работ при поиске полезных ископаемых в пустыне, горах, океане, на Луне и даже на других планетах.
Список использованной литературы
1. http://ru.wikipedia.org
2. Л.Райдер «Квантовая теория поля» Phys 1959
3. Фоминых Ф.Д. Исследования уравнения Янга - Миллса. Труды М.НПК «Казахстан 2030» (24-25 июля 2008г.)
4. Фоминых Ф.Д Математическая модель теории электромагнитного и гравитационного взаимодействий.Труды М.НПК Наука и образование - ведущий фактор стратегии «Казахстан 2030» июнь 2008г.
5. Фоминых Ф.Д., Фоминых С.П. «Радиоэлектроника» К.В.К. 2007
Карагандинский государственный технический университет, Казахстан
ПРАКТИЧЕСКАЯ РЕАЛИЗАЦИЯ СВЯЗИ С ОБЪЕКТАМИ С ПОМОЩЬЮ ГРАВИТАЦИОННЫХ ВОЛН
Для связи с микрообъектами частота излучения гравитационного тела будет очень большой и наоборот при связи с планетами, спутникам и очень мала. При связи электрона с протоном в атомеd=10-13м, поэтому частота излучения составит Гц. При использование гипервысокой частоты, потери информации будут значительными. Поэтому гравитационные волны будет выгоднее применять для связи с объектами, расстояние между которыми значительно превышает расстояние между протоном и электроном.
Следует отметить важный фактор, чем больше расстояние между объектами, тем меньше будут потери информации.
Исходя их этих рассуждений, можно предложить схему связи передатчика информации, например с космическим кораблем, с помощью гравитационных волн.
Рассмотрим схему приемника и передатчика (рисунок 1) гравитационных волн, она будет выглядеть следующим образом:
А – антенна для передачи информации с помощью гравитационных волн в эфир;
Л - Луна;
З- Земля;
ТД – туннельный диод с v-образной вольт-амперной характеристикой, тиристор с N - образной вольт-амперной характеристикой. ТД формирует электрические импульсы;
С – конденсатор переменной емкости, на который действуют гравитационная волна. Он является основным элементом передатчика информации с помощью гравитационных волн. Он может иметь особую конструкцию;
М – микрофон служит модулятором гравитационных импульсов. Это может быть обыкновенный микрофон, с помощью которого можно подавать команды, тем самым связывать прибор приемника с помощью антенны А с абонентом, т.е. центром космической связи;
БП - батарея питания схемы приемника и передатчика гравитационных волн.
Рисунок 1 - Приемник и передатчик гравитационных волн
В этой схеме туннельный диод ТД или тиристор служит как генератор импульсов, как детектор и как смеситель гравитационных импульсов с командами, передаваемыми по микрофону М оператором. Также он работает как усилитель коэффициентом усиления, определяемым согласно формуле (11):
К=Uвых/Uвх,
(11)
где Uвых - амплитуда выходного напряжения;
Uвх - амплитуда входного напряжения.
При попадании гравитационной волны на устройство с конденсатором переменной емкости и сгенерированный импульс от тиристора или туннельного диода может смещаться вдоль оси Х от нуля до .Возникает многофакторная зависимость, при увеличении амплитуды гравитационной волны, увеличивается емкость конденсатора и возникает больше смещение электрического импульса вправо от 0 до . На электрический импульс гравитационной волны накладывается колебание звуковой частоты от модулятора. Эти импульсы передаются в эфир с помощью антенны А. Эти импульсы содержат информацию о величине гравитационной волны и команды, передаваемые с микрофона М оператором. Тем самым осуществляется связь объекта с передатчиком. В качестве объекта может быть космический корабль или луна, планета, галактика.
Данное устройство позволит вести геолого-разведочные работы не только на Земле, но и на Луне, планетах и даже галактике.
Здесь используется принцип, что чем выше удельный вес полезного ископаемого, тем точнее будет показывать устройство расстояние до него. Возможно даже определить площадь рудного тела с помощью предложенного устройства с использованием гравитационных волн. На рисунке 2 представлен частотно модулированный передатчик и приемник гравитационных волн для геологоразведочных работ.
Рисунок 2 - Частотно модулированный передатчик и приемник информации для геологоразведочных работ
Предлагаемый частотно модулированный передатчик для геологоразведочных работ может найти применение в горах, пустынях, в океане, на Луне, планетах.
Параметры гравитационной волны определяются расстоянием от объекта до абонента d. Частота излучения гравитационного поля определяется по (10). Длина гравитационной волны определяется как .
На основе вышеизложенного можно сделать следующие выводы:
1) На основе расчетов по уравнениям (6),(7) и разработанной теории был предложен упрощенный передатчик информации для связи космического спутника с центром космической связи. При использовании данного передатчика потери информации для нанотехнологий будут значительны, поэтому выгоднее применять передачу информации с помощью гравитационных волн в случае больших расстояний между объектами связи.
2) Предложенный в работе передатчик может быть использован для геологоразведочных работ при поиске полезных ископаемых в пустыне, горах, океане, на Луне и даже на других планетах.
Список использованной литературы
1. http://ru.wikipedia.org
2. Л.Райдер «Квантовая теория поля» Phys 1959
3. Фоминых Ф.Д. Исследования уравнения Янга - Миллса. Труды М.НПК «Казахстан 2030» (24-25 июля 2008г.)
4. Фоминых Ф.Д Математическая модель теории электромагнитного и гравитационного взаимодействий.Труды М.НПК Наука и образование - ведущий фактор стратегии «Казахстан 2030» июнь 2008г.
5. Фоминых Ф.Д., Фоминых С.П. «Радиоэлектроника» К.В.К. 2007