ПРАКТИЧЕСКАЯ РЕАЛИЗАЦИЯ СВЯЗИ С ОБЪЕКТАМИ С ПОМОЩЬЮ ГРАВИТАЦИОННЫХ ВОЛН

Эксперименты и обсуждения способов детектирования (приема) гравитационных волн, генерирования гравитационных волн и организации способов связи на их основе.
Открытая информация из сети, а так же собственные эксперименты.

Модератор: Princess

Сообщение
Автор
Аватар пользователя
Princess
Системный администратор
Системный администратор
Сообщений: 504
Зарегистрирован: 16 янв 2020, 21:34
Откуда: Moscow
Контактная информация:

ПРАКТИЧЕСКАЯ РЕАЛИЗАЦИЯ СВЯЗИ С ОБЪЕКТАМИ С ПОМОЩЬЮ ГРАВИТАЦИОННЫХ ВОЛН

#1 Сообщение Princess » 07 дек 2023, 13:02

Мехтиев А.Д. Фоминых Ф.Д., Эйрих В.И. Югай В.В. Белик Г.А.Ким Ю.В

Карагандинский государственный технический университет, Казахстан
ПРАКТИЧЕСКАЯ РЕАЛИЗАЦИЯ СВЯЗИ С ОБЪЕКТАМИ С ПОМОЩЬЮ ГРАВИТАЦИОННЫХ ВОЛН

Для связи с микрообъектами частота излучения гравитационного тела будет очень большой и наоборот при связи с планетами, спутникам и очень мала. При связи электрона с протоном в атомеd=10-13м, поэтому частота излучения составит Гц. При использование гипервысокой частоты, потери информации будут значительными. Поэтому гравитационные волны будет выгоднее применять для связи с объектами, расстояние между которыми значительно превышает расстояние между протоном и электроном.

Следует отметить важный фактор, чем больше расстояние между объектами, тем меньше будут потери информации.

Исходя их этих рассуждений, можно предложить схему связи передатчика информации, например с космическим кораблем, с помощью гравитационных волн.

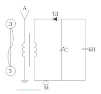
Рассмотрим схему приемника и передатчика (рисунок 1) гравитационных волн, она будет выглядеть следующим образом:

А – антенна для передачи информации с помощью гравитационных волн в эфир;

Л - Луна;

З- Земля;

ТД – туннельный диод с v-образной вольт-амперной характеристикой, тиристор с N - образной вольт-амперной характеристикой. ТД формирует электрические импульсы;

С – конденсатор переменной емкости, на который действуют гравитационная волна. Он является основным элементом передатчика информации с помощью гравитационных волн. Он может иметь особую конструкцию;

М – микрофон служит модулятором гравитационных импульсов. Это может быть обыкновенный микрофон, с помощью которого можно подавать команды, тем самым связывать прибор приемника с помощью антенны А с абонентом, т.е. центром космической связи;

БП - батарея питания схемы приемника и передатчика гравитационных волн.
Screenshot_8.jpg

Рисунок 1 - Приемник и передатчик гравитационных волн

В этой схеме туннельный диод ТД или тиристор служит как генератор импульсов, как детектор и как смеситель гравитационных импульсов с командами, передаваемыми по микрофону М оператором. Также он работает как усилитель коэффициентом усиления, определяемым согласно формуле (11):

К=Uвых/Uвх,


(11)

где Uвых - амплитуда выходного напряжения;

Uвх - амплитуда входного напряжения.

При попадании гравитационной волны на устройство с конденсатором переменной емкости и сгенерированный импульс от тиристора или туннельного диода может смещаться вдоль оси Х от нуля до .Возникает многофакторная зависимость, при увеличении амплитуды гравитационной волны, увеличивается емкость конденсатора и возникает больше смещение электрического импульса вправо от 0 до . На электрический импульс гравитационной волны накладывается колебание звуковой частоты от модулятора. Эти импульсы передаются в эфир с помощью антенны А. Эти импульсы содержат информацию о величине гравитационной волны и команды, передаваемые с микрофона М оператором. Тем самым осуществляется связь объекта с передатчиком. В качестве объекта может быть космический корабль или луна, планета, галактика.

Данное устройство позволит вести геолого-разведочные работы не только на Земле, но и на Луне, планетах и даже галактике.

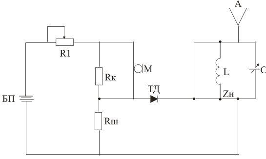
Здесь используется принцип, что чем выше удельный вес полезного ископаемого, тем точнее будет показывать устройство расстояние до него. Возможно даже определить площадь рудного тела с помощью предложенного устройства с использованием гравитационных волн. На рисунке 2 представлен частотно модулированный передатчик и приемник гравитационных волн для геологоразведочных работ.
img18_0.png

Рисунок 2 - Частотно модулированный передатчик и приемник информации для геологоразведочных работ



Предлагаемый частотно модулированный передатчик для геологоразведочных работ может найти применение в горах, пустынях, в океане, на Луне, планетах.

Параметры гравитационной волны определяются расстоянием от объекта до абонента d. Частота излучения гравитационного поля определяется по (10). Длина гравитационной волны определяется как .

На основе вышеизложенного можно сделать следующие выводы:

1) На основе расчетов по уравнениям (6),(7) и разработанной теории был предложен упрощенный передатчик информации для связи космического спутника с центром космической связи. При использовании данного передатчика потери информации для нанотехнологий будут значительны, поэтому выгоднее применять передачу информации с помощью гравитационных волн в случае больших расстояний между объектами связи.

2) Предложенный в работе передатчик может быть использован для геологоразведочных работ при поиске полезных ископаемых в пустыне, горах, океане, на Луне и даже на других планетах.



Список использованной литературы

1. http://ru.wikipedia.org

2. Л.Райдер «Квантовая теория поля» Phys 1959

3. Фоминых Ф.Д. Исследования уравнения Янга - Миллса. Труды М.НПК «Казахстан 2030» (24-25 июля 2008г.)

4. Фоминых Ф.Д Математическая модель теории электромагнитного и гравитационного взаимодействий.Труды М.НПК Наука и образование - ведущий фактор стратегии «Казахстан 2030» июнь 2008г.

5. Фоминых Ф.Д., Фоминых С.П. «Радиоэлектроника» К.В.К. 2007

Вернуться в «Гравитационно-волновые системы»